TỐI ĐA. Công suất nến 110 X 10 cd
Sự lan truyền chùm
Độ truyền khí quyển 100%


Nghiên cứu về đèn xenon bắt đầu ở Đức vào năm 1933 và P. Schultz đã thương mại hóa thành công nó vào năm 1944. Đèn sử dụng sự phóng điện xảy ra bên trong khí xenon sẽ phát ra ánh sáng ổn định khi bật lên. Sự phát xạ này có phổ liên tục trải dài từ vùng tử ngoại đến vùng hồng ngoại, bao trùm vùng tia nhìn thấy.
Đặc biệt, ánh sáng từ vùng tử ngoại đến vùng tia khả kiến cực kỳ giống với ánh sáng tự nhiên và được kết hợp với gương phản chiếu độc quyền được sản xuất riêng cho máy chiếu tại các rạp chiếu phim. Nó cũng được lựa chọn rộng rãi cho các tàu quân sự và đặc biệt.
Đèn xenon gắn trong sản phẩm này là đèn xenon hồ quang ngắn được bật bằng dòng điện một chiều khi khe hở giữa cực dương và cực âm của ống thạch anh được thu hẹp lại ở khoảng cách vài mm. Khí xenon kín đạt 20 ~ 40atm khi bật đèn. Vì là đèn nguồn điểm có độ chói cao, tương đồng với ánh sáng tự nhiên và khả năng thể hiện màu âm thanh (mức độ sáng của nguồn sáng trên toàn bộ dải tần của vùng tia khả kiến) nên có đặc tính phù hợp nhất cho đèn pha xenon trên tàu.
Thiết bị chính của đèn tìm kiếm
Bộ phận chính của Searchlight của công ty chúng tôi là sự kết hợp của quạt làm mát đủ để chiếu sáng liên tục không giới hạn, trống đầu được thiết kế với cấu trúc giúp tối đa hóa hiệu suất và hiệu quả của quá trình hít vào=>tuần hoàn=>làm mát=>quá trình xả và hộp số cho thấy khả năng vận hành tuyệt vời hiệu suất và độ tin cậy trong việc ngăn chặn hiện tượng ngưng tụ.
Đặc biệt, cảm biến nhiệt độ bên trong của trống đầu được cài đặt mặc định bắt đầu từ sản phẩm HD-XR1000WR giúp ngăn chặn hiện tượng hư hỏng do nhiệt của các bộ phận bên trong trong trường hợp chức năng làm mát có bất thường. Bộ gia nhiệt hộp số có vai trò ngăn ngừa hư hỏng động cơ vận hành và các bộ phận do sự ngưng tụ hơi nước xảy ra bên trong hộp số tùy thuộc vào môi trường hàng hải thay đổi nhanh chóng của tàu.
Nguồn cấp
Sản phẩm này được vận hành dựa trên phương pháp SMPS (Cung cấp năng lượng ở chế độ chuyển mạch). Điều này mang tính cải tiến giúp giảm trọng lượng và khối lượng so với nguồn điện loại điều khiển SCR hiện có, cho phép lắp đặt trên các tàu nhỏ.
Hơn nữa, sản phẩm này được kiểm soát bằng chương trình được thiết kế dựa trên bí quyết độc quyền của công ty chúng tôi. Nó duy trì sự ổn định khi không cấp nguồn cho đèn xenon, ngay cả khi nguồn điện về cơ bản được bật “BẬT”, trừ khi tàu đang hoạt động.
Lý do tại sao nguồn điện luôn được duy trì ở trạng thái “BẬT” là vì nguồn điện cung cấp năng lượng để làm mát phần nhiệt sau trên các thiết bị như đèn xenon, bộ PCB chính và máy biến áp sau khi đèn pha tắt. Nó bao gồm chức năng thực hiện giám sát thời gian thực trên bộ phận chính của đèn rọi và nguồn điện trong quá trình và tình huống chiếu sáng, tự động ngắt nguồn để bảo vệ sản phẩm trong quá trình hoạt động bất thường.
Bảng điều khiển từ xa
Bảng điều khiển từ xa thường được gắn vào bảng điều khiển buồng lái bao gồm nhiều công tắc khác nhau cho các chức năng của đèn pha và đèn LED tín hiệu giám sát.
HD-XR550WR theo mặc định có công tắc đòn bẩy (cho phép lựa chọn tùy chọn công tắc đòn bẩy hai chiều) có thể tìm kiếm theo một hướng giữa trên, dưới, trái và phải.
Công tắc đòn bẩy cho phép tìm kiếm đồng thời theo một và cả hai hướng được gắn kể từ HD-XR1000WR và các mẫu mới hơn có thể thể hiện hiệu suất tối ưu trong các tình huống tìm kiếm chung và tìm kiếm khẩn cấp. Tuổi thọ cơ học hơn 5 triệu lần sử dụng và tay cầm làm bằng vật liệu duralumin mang lại độ bền và chất lượng kiểm soát tuyệt vời.
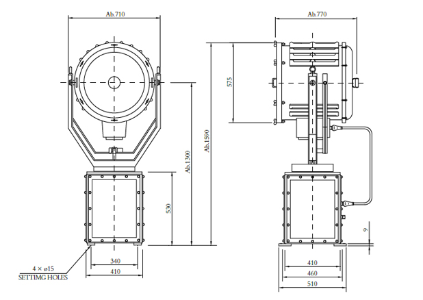
| Searchlight Main Unit | |
| Application | Wheelhouse Roof Underneath Of Wingbridge On The Mast |
| Form Of Control | Remote Control |
| Capacity | 2000W |
| Reflector Diameter | f75 × 405Ø |
| Reflector Material | Metal(Nickel) or P-Glass |
| Front Glass | Tempered Glass |
| Rotation Angle | About 350 Degree |
| Elevation Angle | 20 Degree |
| Dip Angle | 40 Degree |
| Maximum Luminous Intensity Of Light Beam | 110,000,000 Candela |
| Beam Spread | 1~7 Degree Adjustable Angle For Focus Control Lever |
| Materia | Stainless Steel |
| Weight | About 173Kg |
| Power Supply | |
| Application | Underneath Of Wheelhouse Consol |
| Form Of Control | Automatic & Remote Control |
| Input Voltage | AC 220V ~ AC 440V 3Ph 60Hz or 50Hz |
| Capacity | 2000W |
| Output Voltage | DC 24V ~ DC 30V |
| Output Current | 80A ~ 100A |
| Material | Steel(Others On Request) |
| Weight | 55Kg |
| Remote Control | |
| Application | Wheelhouse Consol Mounted or Wingbridge Consol Mounted |
| Form Of Control | Remote Control |
| Name Plate | Black Anodized Aluminium Machine Cut |
| Control Lever | 2 Channel Simultaneous Navigation Type |
| Control Lever Handle | Aluminium Machine Cut |
| Control Lever Life Time | Mechanical Life Of More Than 5 Million Times |
.jpeg)

